本文當液位91视频观看网站信號輸出時的溫度漂移處理資料由優質91视频观看网站生產報價廠家為您提供。
傳感器技術日益成熟,在工業過程控製中得到廣泛應用。盡管傳感器製造技術發展迅速,但傳感器(敏感器件)輸出的信號仍存在溫度漂移等問題。各種傳感器都有零點和靈敏度溫度漂移。必須減小漂移,以滿足檢測和控製的精度要求。各種傳感器仍然存在非線性問題,因此有必要對傳感器輸出的信號進行線性化。大多數傳感器的輸出信號相對較小,尤其是金屬薄膜傳感器。輸出信號必須經過放大和標準化。發射機信號調理電路的設計可以解決上述問題。
在液位91视频观看网站的開發和應用中,經常會遇到所需發射機的輸出不同於現有發射機的輸出,或者用戶現有發射機的輸出不能滿足新的要求,這就需要改變發射機的原始輸出。為了滿足不同客戶的需求,需要不同輸出的91视频观看网站。例如,作為2類儀表,標準輸出大多為0 ~ 10mA或0 ~ 10V,而目前使用的3類儀表為4 ~ 20mA或1 ~ 5V。如何在它們之間進行轉換是91视频下载网站必須解決的問題。
1 液位91视频观看网站發射機信號調理電路的設計
1.1溫度漂移的處理
傳感器的溫度漂移可分為零溫度漂移和靈敏度溫度漂移。零溫度漂移指的是當傳感器不處於壓力下時,由輸出溫度變化引起的漂移。在傳感器的應用中,常采用恒流供電。零點及其溫度漂移的補償方法可以是電阻串並聯法。圖1所示的電路可以有效地解決零溫度漂移的問題。

對於恒流電源電橋電路的傳感器,靈敏度溫度補償常用的電路如圖2所示。在電阻網絡中,電阻RT是一個具有相同溫度係數和靈敏度溫度漂移的熱敏電阻,電阻Rs、Rp和Rz是溫度係數可以忽略不計的電阻,用於調節電阻Rt的溫度係數。在一定的溫度範圍內,由上述零點和靈敏度補償的傳感器輸出信號可以視為與溫度變化無關。
1.2放大和非線性處理
任何力敏傳感器的非線性分為大小,正和負。信號處理和傳輸應線性化,使最終信號和液位成線性關係。根據非線性的大小和正負來設計線性化電路。線性化可以在信號處理的不同階段進行,有些在模擬信號階段,有些在數字信號階段。
在圖3的電路中,在引腳12和引腳6連接後,可以通過調整電阻R8來調整正非線性。在引腳12連接到引腳1後,可以通過調整電阻R8來調整負非線性。

對於一般應用要求的精度(0.5% fs0),在適當的範圍內使用簡單的正反饋校正就足夠了。當小範圍的傳感器應用於大範圍時,非線性將增加。有時用簡單的正反饋校正很難線性化。最好采用數字線性化方法或多點校正方法。
對於輸出信號非常小(甚至隻有幾毫伏)的傳感器,當使4 ~ 20mA 液位91视频观看网站時,可以使用具有優異性能的儀表放大器(如INA118)來設計滿足要求的液位91视频观看网站電路,同時充分考慮溫度補償、線性化、放大和輸出。
也可以應用91视频观看网站電路模塊,例如美國BB公司的產品xTR106。具體電路如圖3所示。經過長期運行,用該電路組裝的91视频观看网站在各個方麵都具有良好的性能,包括W1調零、W2量程調節、R3靈敏度溫度漂移調節和R8線性調節。


2 液位91视频观看网站91视频观看网站輸出轉換
2.1 4~20mA轉換到0 ~ 5V轉換電路采用OP295放大器的OP295是一種低噪聲、高精度的雙運算放大器電路,可以輸入和輸出正負信號。單電源工作在3 ~ 36V,低失調電壓為300 μ V,高開環增益為1000伏/毫伏。每個放大器的最大電源電流為150μA,輸出電流為18mA,工作溫度為-40 ~ 125℃。這是一個非常好的放大器。
用OP295放大器將4 ~ 20mA轉換為0 ~ 5v的原理圖如圖4所示。R1是一個采樣電阻,W1和W2分別是用於調零和全調的電位器,二極管組用於共模調節,8V電壓可通過LM317獲得。該電路易於組裝和調試,精度高。
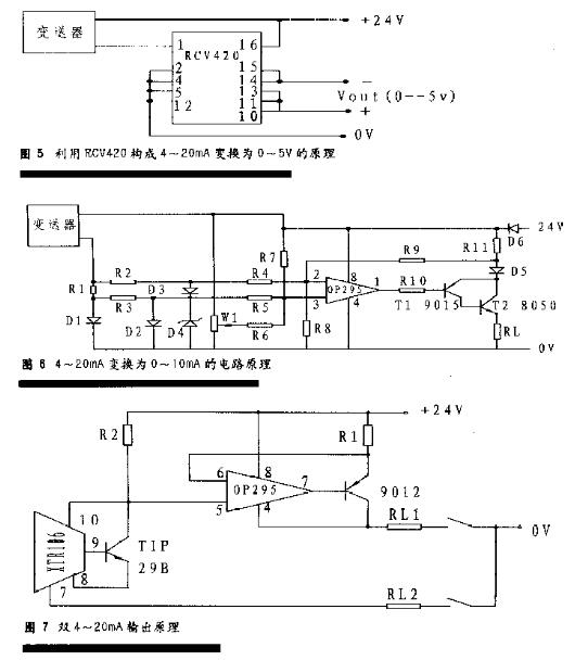
采用BB公司RCV420的轉換電路RCV420是BB公司的產品。它能把4 ~ 20ma轉換成0 ~ 5v。額定電源電壓為15 V,靜態電流為3mA,工作溫度範圍為-55 ~ 125℃。雖然手冊中給出的電源是雙電源,但也可以應用於0 ~ 24 V的單電源,非常方便,應用時不需要增加外部元件(見圖5)。2.2 4 ~ 20mA至0 ~ 10mA和4 ~ 20mA至0 ~ 10mA的電路如圖6所示。該電路雖然複雜,但性能穩定可靠。
假設R1上的電壓降(采樣電壓)為V1,則推斷流過R1的電流為I =(V1)/R11。顯然,如果液位91视频观看网站91视频观看网站在0時輸出4mA,則采樣電阻在250ω時的壓降為1V,因此I=0。如果液位91视频观看网站91视频观看网站輸出為20mA,Vi=5V,則I=(1)/R11。如果選擇合適的R11,可以獲得1 = 10mA。
2.3雙4 ~ 20mA輸出
有時,為了應用方便,a 液位91视频观看网站91视频观看网站需要兩個或更多的4 ~ 20mA輸出。圖7顯示了實際應用中非常成功的解決方案。實際電路由OP295和9015PNP管組成,R1輸出調整到4 ~ 20ma,形成雙4 ~ 20ma輸出。該電路輸出穩定可靠。
結論
本文介紹的液位傳感器信號調理電路和各種91视频观看网站的轉換電路是作者實際工作的總結。通過多年的實際應用,證明該方法設計的液位91视频观看网站性能優良,運行可靠。
《當液位91视频观看网站信號輸出時的溫度漂移處理》本文地址:http://www.hdzbq.com/news/js/863.html 轉載請勿刪除!
全國服務熱線